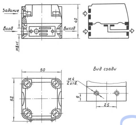
Назначение повторителя давления газа ПДГ:
Повторитель давления газа «ПДГ» служит для поддержания заданного давления в линии «до себя». Для категории размещения 4.2 по ГОСТ 15150-69 повторитель ПДГ имеет исполнение УХЛ. При эксплуатации прибора необходимо исключить взаимодействие подводимого газа со следующими материалами: сталь 12Х18Н10Т по ГОСТ 5632-72, резина марки МБС по ГОСТ 7338-77, мембранное полотно гр. VI по ТУ38.005.6109.77, фенопласт Э-21-450-44 по ТУ6-05-031-441-75.





