Назначение трансформатора повышающего СА911-35:
Трансформатор повышающий СА911-35 предназначен для питания измерительной цепи при поверке трансформаторов напряжения, которые эксплуатируются в электроустановках с номинальными первичными напряжениями до 35 кВ.
СА911-35 используется предприятиями и организациями, осуществляющими поверку и калибровку измерительных трансформаторов напряжения при их разработке, производстве и эксплуатации.
Описание трансформатора повышающего СА911-35:
Трансформатор повышающий СА911-35 представляет собой однофазный маслонаполненный повышающий трансформатор с заземляемым выводом Х обмотки высшего напряжения. Обмотка низшего напряжения и обмотка высшего напряжения расположены концентрически на магнитопроводе броневого типа.

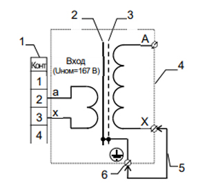
1 – разъем типа 2РМ, выводы первичной обмотки A, X (обмотка низшего напряжения);
2 – магнитопровод;
3 – экран;
4 – выводы вторичной обмотки A, X (обмотка высшего напряжения);
5 – перемычка;
6– вывод корпуса для подключения защитного заземления.
Рис.1. Электрическая схема трансформатора повышающего СА911-35





