Назначение трансформатора повышающего СА911-110:
Трансформатор повышающий СА911-110 предназначен для питания измерительной цепи при поверке трансформаторов напряжения, которые эксплуатируются в электроустановках с номинальными первичными напряжениями до 110/√3 кВ.
СА911-110 используется предприятиями и организациями, осуществляющими поверку и калибровку измерительных трансформаторов напряжения при их разработке, производстве и эксплуатации.
Описание трансформатора повышающего СА911-110:
Трансформатор повышающий СА911-110 представляет собой однофазный маслонаполненный повышающий трансформатор с заземляемым выводом Х обмотки высшего напряжения. Обмотка низшего напряжения и обмотка высшего напряжения расположены концентрически на магнитопроводе броневого типа.

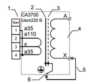
1 – разъем типа 2РМ "СА3700" для подключения к Пульту управления СА3700, выводы первичной обмотки, обмотка низшего напряжения;
2 – магнитопровод;
3 – экран;
4 – выводы вторичной обмотки; обмотка высшего напряжения;
5 – перемычка;
6 – вывод корпуса для подключения заземления.
Рис.1. Электрическая схема трансформатора повышающего СА911-110





