Назначение трансформатора повышающего СА910-10:
СА910-10 - это трансформатор повышающий трехфазный сухой, который предназначен для питания измерительной цепи при поверке однофазных и трехфазных ТН с номинальными первичными напряжениями до 10 кВ. СА910-10 используется предприятиями и организациями, осуществляющими поверку и калибровку измерительных трансформаторов напряжения при их разработке, производстве и эксплуатации.
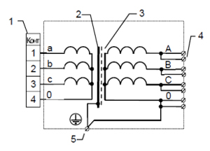
1 – разъем типа 2РМ «СА3700» для подключения к Пульту управления СА3700, выводы первичной обмотки, обмотка НН;
2 – магнитопровод;
3 – экран;
4 – выводы вторичной обмотки, обмотка ВН;
5 – вывод корпуса для подключения заземления.
Рис. 1. Схема трансформатора СА910-10





