Назначение делителя напряжения Д-140:
Делитель напряжения Д–140, Д-140.00.00.00, предназначен для измерения переменного напряжения до 100 кВ и постоянного напряжения до140 кВ совместно с электронным цифровым вольтметром, имеющим входное сопротивление 10 МОм.
Делитель Д–140 предназначен для эксплуатации внутри помещений в диапазоне температур от +10 °С до +35 °С, относительной влажности окружающего воздуха до 80% и давлении от 650 до 800 мм рт.ст.
На месте установки не допускается тряска, вибрации, наличие в воздухе агрессивных жидкостей (кислот, щелочей и другое).
Устройство и работа делителя напряжения Д-140:
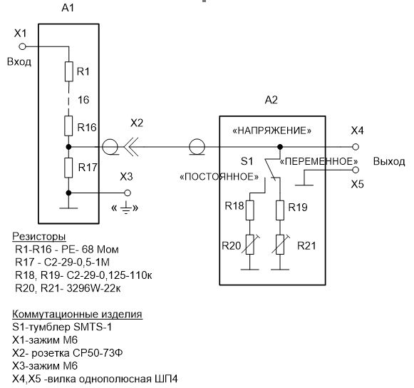
Делитель Д–140 выполнен по схеме омического делителя напряжения, и состоит из блока высоковольтного А1 и измерительного кабеля с встроенной в него переключаемой нагрузкой А2.
Блок высоковольтный состоит из 16 резисторов R1-R16 РЕ-10kV-68M, соединенных последовательно, в высоковольтном плече и резистора R17 (1M) в низковольтном плече. Входное сопротивление высоковольтного блока равно 1088±100 МОм, коэффициент деления -1000±100 (при отключенном измерительном кабеле).
Кабель измерительный ДН.10.80.00 выполнен на основе радиочастотного коаксиального кабеля RG58-C/U. Вмонтированная в него нагрузка содержит резисторы, переключаемые тумблером S1 "НАПРЯЖЕНИЕ". Наличие подстроечных резисторов R20, R21 позволяет настраивать коэффициент деления отдельно на постоянном и переменном напряжении. Настройка производится вращением осей подстроечных резисторов через отверстия в боковой стенке корпуса нагрузки.
Выводы нагрузки оконцованы вилками: Х4 (потенциальный) – красного цвета, Х5 (общий) – черного цвета.
Делитель напряжения Д-140. Схема электрическая принципиальная





