Использование кабельных линий является единственным практичным способом транспортирования электрической энергии на различные дистанции, а также самым распространённым способом для передачи информации. Начиная с первых коммерческих проектов электроснабжения в конце 19 века, объёмы производства кабельных линий резко возросли, а потребление и производство электроэнергии экспоненциально растёт до сих пор. Если говорить о силовых кабельных линиях, то их конструкция почти или совсем не изменилась с 90-х годов прошлого века и многие проложенные в то время кабельные линии используются по сей день. Многие из этих линий уже давно превысили свой срок годности, в связи с чем в них часто возникают повреждения, а полностью менять протяженные участки таких линий экономически нецелесообразно. В связи с этим возникает высокая потребность в быстрой локализации и устранении повреждений. Особую сложность представляют протяженные подземные кабельные линии, так как при их обследовании во время поиска места повреждения приходится полагаться только на показания приборов. Медленно шагать с приборами вдоль всей линии, длина которой может составлять несколько километров не только трудозатратно, но и приводит к ошибкам из-за высокой вероятности за долгое время работы обнаружить что-то похожее на дефект, что может не являться частью основной проблемы.
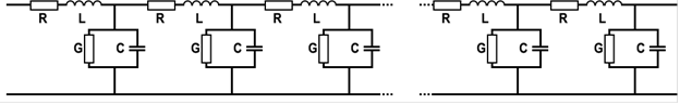
Для решения этих проблем были разработаны методы предварительной локализации мест повреждений кабельных линий. В данной статье мы рассмотрим метод импульсной рефлектометрии. Для реализации этого метода существует рефлектометры – специальные приборы, принцип работы которых заключается в подаче короткого зондирующего импульса напряжения между двумя проводниками кабельной линии (жилы отдельных фаз и экран) и построении рефлектограммы. Рефлектограмма является графиком зависимости напряжения, измеренного каналом прибора, от времени с высокой частотой дискретизации. Чтобы понять практическую пользу рефлектограммы, сперва необходимо понять поведение зондирующего импульса в кабельной линии. Кабельную линию можно представить в виде эквивалентной электрической схемы четырёхполюсника (рисунок 1), состоящей из бесконечно коротких сегментов сопротивления и индуктивности проводника, ёмкости и проводимости изоляции между проводниками, на которые подаётся импульс.
Рисунок 1 – Эквивалентная схема кабельной линии
Комплексное сопротивление каждого из таких бесконечно малых отрезков кабеля называется волновым сопротивлением или импедансом и может быть выражено следующей формулой:
Где R – сопротивление проводника кабеля,
L – индуктивность кабеля,
G – проводимость изоляции,
C – ёмкость изоляции,
w – круговая частота сигнала.
Из формулы волнового сопротивления можно заключить, что сопротивление линии зависит от частоты электрического сигнала. Зондирующий импульс рефлектометра является коротким прямоугольным импульсом, поэтому содержит в себе множество высокочастотных гармоник, которые будут затухать с разной скоростью, в зависимости от волнового сопротивления для частоты каждой из гармоник, а в совокупности с дисперсией волны будет также отличаться и скорость распространения различных гармоник сигнала, что приведёт к искажению формы зондирующего импульса. Общая амплитуда импульса будет снижаться со временем, а длительность волны импульса увеличиваться, как показано на рисунке 2.
Рисунок 2 – Искажение формы зондирующего импульса с пройденным расстоянием
Рефлектометр не может отслеживать изменения формы волны импульса по мере распространения в кабеле, а фиксирует только форму волны импульсов, вернувшихся в канал прибора. Поэтому важно понимать каким образом волна зондирующего импульса может вернуться в канал прибора. Если рассматривать линию с неизменным волновым сопротивлением, т.е. идеальную линию без дефектов, которая к тому же имеет согласованную с волновым сопротивлением нагрузку на другом конце линии, то сигнал полностью поглощается нагрузкой и рефлектограмма после начального зондирующего импульса будет полностью прямой. А теперь рассмотрим ситуации, когда кабельная линия имеет участок с волновым сопротивлением, отличающимся от соседних участков линии. Такие участки линии называются неоднородностями, когда волна напряжения встречает такую неоднородность, то её поведение описывается физическими законами, аналогичными тем, когда электромагнитная волна сталкивается с границей раздела среды, т.е. часть энергии волны отражается обратно в среду, из которой вышла, а часть поглощается новой средой. В нашем случае часть отраженной волны можно выразить через коэффициент отражения по следующей формуле:
Где Zн – волновое сопротивление неоднородности,
Zл – волновое сопротивление линии.
Рассмотрим случай, когда между проводниками кабеля имеется полный обрыв. Электрическое сопротивление в данном участке будет очень велико, соответственно волновое сопротивление линии будет незначительно малым в сравнении с волновым сопротивлением этой неоднородности и коэффициент отражения будет стремиться к единице. С практической точки зрения это означает, что сигнал полностью отразится обратно и вернётся в искаженном затуханием виде в канал рефлектометра, как показано на рисунке 3.
Рисунок 3 – Вид рефлектограммы обрыва линии
В случае короткого замыкания проводников волновое сопротивление точки их замыкания можно считать неоднородностью с нулевым импедансом. Соответственно, коэффициент отражения выходит равным -1, что также означает полное отражение волны, но с противоположной полярностью, как показано на рисунке 4.
Рисунок 4 – Вид рефлектограммы короткого замыкания
Реальные дефекты кабельной линии чаще будут иметь промежуточные значения импеданса вышеупомянутых примеров, а значит коэффициент отражения будет лежать в области от -1 до 1 и будет отражаться только часть энергии волны, а остальная энергия будет распространяться далее. Таким образом, рефлектограмма покажет изменение волнового сопротивления линии в зависимости от времени с момента подачи зондирующего импульса. Во избежание многократных отражений импульса обратно в линию, при возврате сигнала к каналу рефлектометра, важно согласовать импеданс приёмного тракта рефлектометра с волновым сопротивлением линии, что позволит полностью поглотить отраженный импульс каналом рефлектометра.
Зная поведение волны зондирующего импульса, по построенной рефлектограмме кабельной линии возможно расшифровать наличие реальных дефектов в кабеле, расположения и качество его соединительных элементов (муфт, сварных соединений, ответвлений, контактных соединений). Подробнее рассмотрим несколько вариантов отражений от типичных соединительных элементов и дефектов кабельных линий.
Соединительная муфта является участком кабеля небольшой длины с как можно близким волновым сопротивлением к импедансу самой линии. Как правило, муфта имеет повышенное волновое сопротивление, по сравнению с импедансом линии, поэтому от начала муфты отражается сигнал положительной полярности, амплитуда которого будет тем больше, чем выше разница волновых сопротивлений линии и муфты. От конца муфты волна переходит уже из области большего импеданса в область меньшего, что даёт импульс отрицательной полярности меньшей амплитуды. Соответственно качество муфты можно оценить по величине амплитуды отражений.
Рисунок 5 – Пример некачественной и качественной муфты на рефлектограмме
Другой частой неоднородностью является частичный обрыв кабельной линии, например, обрыв одной из жил или нарушение целостности экрана кабеля при внешних повреждениях. Данный дефект можно представить повышенным активным продольным сопротивлением линии в его участке, что значит, что отраженный импульс в месте повреждения будет иметь положительную полярность, часть энергии волны импульса при этом пройдёт далее по линии.
Рисунок 6 – Пример рефлектограммы частичного обрыва кабельной линии с полным обрывом дальнего конца линии
По мере старения изоляции может произойти электрический пробой между жилами кабеля или между жилой и экраном, вызывая частичное короткое замыкание. Сопротивление изоляции и её электрическая ёмкость в этом случае снижаются, что можно выразить в виде шунтирующего сопротивления и ёмкости, что приведёт к снижению импеданса на участке линии. Картина, наблюдаемая в рефлектограмме будет противоположна предыдущему примеру – импульс отрицательной полярности в месте дефекта, величина которого зависит от степени шунтирования, часть энергии импульса распространяется дальше.
Рисунок 7 – Пример частичного короткого замыкания кабельной линии с полным обрывом дальнего конца линии
В данном методе стоит учесть один нюанс – величины амплитуды напряжения зондирующего импульса рефлектометра может быть недостаточно для наблюдения отражения волны от дефекта частичного короткого замыкания с очень высоким шунтирующем сопротивлением. В таком случае потребуется подача импульса достаточно высокой энергии, для возникновения дуги в месте повреждения, по отражению от которой можно предварительно локализовать искомую неоднородность.
Так как практическую пользу в задаче предварительной локализации мест повреждений имеет именно расстояние до места дефекта, шкала оси времени рефлектограммы пересчитывается в расстояние. Данное преобразование возможно, когда известна скорость распространения волны импульса, которую удобно представить в виде коэффициента укорочения, равного отношению скорости света в вакууме к скорости импульса рефлектометра. Скорость распространения сигнала в главную очередь зависит от значения диэлектрической проницаемости изоляции кабельной линии, поэтому коэффициент укорочения индивидуален для каждого кабеля. Если принять во внимание, что феномен отражений волны связан с изменением скорости распространения волны на границах сред с различным волновым сопротивлением, то общий коэффициент укорочения будет достаточно совпадать для аналогичных кабельных линий только в том случае, если линии в идеальном состоянии. Наличие неоднородностей в кабеле влияет на среднюю скорость распространения зондирующего импульса и ведёт к дополнительным погрешностям измерения. Поэтому имеет смысл заранее измерить коэффициент укорочения исследуемой линии, зная её точную длину возможно подстроить ось расстояния рефлектограммы до отражения от конца линии на её известной длине. Отсчёт времени ведётся от начала подачи импульса, т.е. от момента начала роста его переднего фронта, соответственно, расстояние до дефектов также следует измерять в точке начала роста фронта отражённой волны.
Теперь, когда известны общие принципы работы рефлектометра и протекающие физические процессы в кабельной линии под воздействием зондирующего импульса напряжения, можно рассмотреть параметры рефлектометров и инженерные решения, применяемые в них для удобства и эффективности работы.
Параметром, определяющим область применения рефлектометров, является наличие различных режимов измерений. Режимы измерений связаны с различными реализуемыми методиками, применимыми для конкретных задач и условий предварительной локализации. Самые распространённые из них следующие: Импульсный метод (TDR - Time-Domain Reflectometry); Импульсно-дуговой метод (ARM – Arc Reflection Method); Метод колебательного разряда по напряжению (Decay travelling wave method); Метод колебательного разряда по току (ICE – Impulse Current Method). Самостоятельно рефлектометр обычно реализует только импульсный метод, так как для остальных требуется очень высокое напряжение импульса или достаточная мощность для заряда кабельной линии вплоть до возникновения электрического пробоя.
Из этого можно сделать вывод о том, что амплитуда импульса достаточно сильно влияет на функциональные возможности рефлектометра. Логично, что сигнал большей амплитуды сможет пройти большее расстояние до его затухания ниже чувствительности прибора, но энергию зондирующего импульса можно увеличить также за счёт увеличения его длительности, что также позволит построить рефлектограмму линии большей длины. При выборе длительности зондирующего импульса стоит учитывать физическую природу отражений волны от неоднородностей. Например, у нас имеется два близко расположенных дефекта на расстоянии в 10 метров друг от друга. Допустим, что мы посылаем в данную линию импульс длительностью 1 мкс, тогда расстояние между передним и задним фронтом волны при коэффициенте укорочения линии равном 1,5 будет примерно равно 200 метрам, а значит, что за то время, пока происходит отражение волны от первого дефекта, часть энергии импульса начнёт отражаться от второго дефекта. Если даже не брать во внимание, что между двумя близко расположенными дефектами будут происходить многократные отражения волны, которые будут также многократно взаимодействовать с проходящей исходной волной, то даже первичные отражения от неоднородностей сольются в одно и получится различить только первый дефект. Если же использовать импульс длительностью 10 нс, то разрешающее расстояние между дефектами уже будет порядка 2 метров при том же коэффициенте укорочения и на рефлектограмме будет видно два различимых отражения. Мы также наблюдали, что форма импульса искажается по мере его затухания в линии, увеличивая общую длину волны (рисунок 2), а значит, что даже с коротким импульсом близко расположенные дефекты становятся менее различимы с ростом расстояния до них от точки подключения рефлектометра. Всё это приводит к выводу, что повышение амплитуды напряжения зондирующего импульса более качественно увеличивает диапазон дальности обнаружения дефектов, чем ширина импульса.
Другими важными параметрами, определяющими точность и дальность обнаружения дефектов, являются чувствительность приёмного тракта рефлектометра и частота дискретизации кривой напряжения, измеренной рефлектометром. В различных моделях рефлектометров чувствительность приёмного тракта может быть определена по-разному, но смысл параметра всегда один – какой наименьший различимый уровень сигнала может быть принят прибором. Тут основное отличие заключается в том, что считать различимым уровнем. Логично, что речь идёт об очень слабых сигналах и поэтому они должны быть в первую очередь различимы над уровнем шумов, а во вторую очередь видны пользователю на дисплее, что может быть решено функциями масштабирования, усиления приёмного тракта или отстройкой от шумов за счёт усреднения величин дискретных точек графика. Чувствительность рефлектометра также можно выразить через характеристику максимального перекрываемого затухания. Например, при амплитуде зондирующего импульса на нагрузку равную 10 В, чувствительности усилителя для полноэкранного отклонения равной 10 мВ, максимальное перекрываемое затухание будет равно
. В случае рефлектометра это означает, что с данными характеристиками отражение от дальнего конца линии будет различимо, если общее затухание двойной длины кабеля менее 60 дБ. Погонное затухание в основном применяется для кабелей связи и сильно зависит от частоты сигнала. Например, прямоугольный импульс длительностью 10 нс имеет основную частоту 50 МГц и гармоники кратные 3, 5, 7… основной частоты с уменьшающейся амплитудой. Погонное затухание кабеля RG-11 на частоте 50 МГц примерно равно 3,2 дБ на 100 метров, а значит, что с указанными выше характеристиками зондирующего импульса и чувствительности приёмного тракта возможно различить отражение от дальнего конца линии на расстоянии примерно 940 метров.
Частота дискретизации является частотой построения точек графика, и она должна быть достаточной для точного различения отражений импульса и точного определения начала переднего фронта этих отражений. Например, частота дискретизации в 100 МГц означает, что величина кривой напряжения будет записываться в виде точки графика раз в 10-8 секунды, за это время импульс с коэффициентом укорочения кабеля равным 1,5 проходит дистанцию в 2 метра. Это значит, что при такой частоте дискретизации невозможно будет различить дефекты, которые расположены на расстоянии менее 2 метров друг от друга, а при определении точного местоположения дефекта погрешность будет составлять ±1 метр.
Зная смысл указанных параметров, можно сделать выводы о важных значениях параметров рефлектометра:
-
Частота дискретизации должна быть достаточной, чтобы различать близкорасположенные дефекты и обеспечить минимальный вклад в погрешность измерения прибора в разумных для практического применения пределах.
-
Высокая максимальная амплитуда зондирующего импульса или возможность использования внешнего источника высоковольтных импульсов для построения рефлектограммы.
-
Широкий диапазон выбора длительности зондирующих импульсов для возможности построения наиболее читаемой рефлектограммы для широкого диапазона длин линии.
-
Высокую чувствительность приёмного тракта для увеличения возможной дальности обнаружения дефектов с высокой разрешающей способностью при использовании коротких зондирующих импульсов.
Даже если рефлектометр имеет очень качественные технические параметры и способен обеспечить хорошую детализацию рефлектограммы, анализ рефлектограмм всё равно остаётся сложной задачей. По этой причине производители рефлектометров добавляют удобные средства для работы с рефлектограммами. Наиболее распространённой функцией для анализа является масштабирование участков рефлектограммы для детального обзора. Дисплей прибора часто не имеет тот же уровень детализации графика, который даёт частота дискретизации сигнала. Если полная развёртка рефлектограммы соответствует длине линии в 2 километра, а дисплей имеет 800 пикселей по горизонтали, то каждый его пиксель соответствует длине 2,5 метра, а частота дискретизации современных рефлектометров способна обеспечить разрешающую способность менее 0,5 метра, поэтому техническая возможность просмотра участка графика в максимально возможном разрешении так важна для более точного анализа.
Также бывает весьма сложно увидеть слабые отражения на рефлектограмме, которые могут быть использованы для обнаружения муфт и участков намокания кабельной линии. Поэтому производители могут ещё и добавлять функцию вертикального масштабирования, особенно если количество уровней квантования напряжения устройством АЦП намного превышает количество пикселей дисплея по вертикали. Другим методом анализа слабых отражений является увеличение чувствительности приёмника (усиление приёмного тракта), минусом такого метода является то, что таким образом также будут усилены шумы, но производители также добавляют цифровой усредняющий фильтр для отстройки от асинхронных помех. Усреднение значения амплитуды напряжения в конкретной точке графика относительно значений какого-либо количества соседних точек работает, как фильтр низких частот, искажая, но пропуская плавно изменяющуюся волну напряжения отражений сигналов, и блокируя резкие колебания шумов измерительного тракта.
Для удобства вычислений расстояний до различных неоднородностей или между ними, и определения длины участка с шумами, которые могут быть связаны с намоканием кабеля, в рефлектометрах обычно реализованы курсорные измерения длины. Пользователь может расположить курсоры на интересующую точку графика и посмотреть расстояния до этого места от точки подключения рефлектометра или разность расстояний между двумя курсорами.
При работе с многожильными кабельными линиями часто приходится сравнивать рефлектограммы, полученные между разными точками подключения (например, каждой фазы силового трёхфазного кабеля к экрану и различных фаз между собой). Для помощи в анализе нескольких рефлектограмм производители рефлектометров реализовывают функции многоканального измерения или функции фиксирования полученного графика на дисплее с возможностью наложения следующего графика поверх сохранённого. Таким образом возможно не только оперативно оценивать, где именно в многожильном кабеле локализовано повреждение, но и производить операцию разности графиков, фиксируя таким образом только отличия между двумя рефлектограммами.
Бывают случаи, когда дефект кабеля проявляется только под воздействием внешних сил и его трудно «поймать» на рефлектограмме для дальнейшего анализа. Например, где-то на участке идут строительные работы и колебания грунта вызывают частичное короткое замыкание поврежденного кабеля. Для упрощения работы по обнаружению подобных «мерцающих» дефектов реализуют функцию захвата изменений рефлектограммы. Обычно данная функция просто накладывает какое-то количество графиков друг на друга с течением времени, если в какой-то момент рефлектограмма отражает искомый дефект, то она останется на экране достаточное время для её сохранения.
ТОО «ЭЛЕКТРОНПРИБОР KZ» рекомендует к приобретению модель рефлектометра РИ-407 «СТРИЖ-С», производства компании АО «ЭРСТЕД». Данная модель включена в реестр утвержденных типов средств измерений (до 01.09.2025, на момент написания статьи) и поставляется с поверкой. Подробнее ознакомиться с функционалом и техническими характеристиками рефлектометра можно по ссылке в названии модели.
Важными преимуществами рефлектометра РИ-407 «СТРИЖ-С» являются:
-
Возможность подачи зондирующего импульса напряжением холостого хода до 86 В (не менее 43 В на согласованную нагрузку). Что позволяет строить более детальные рефлектограммы протяженных кабельных линий за счёт использования более коротких импульсов;
-
Частота дискретизации 800 МГц обеспечивает разрешающую способность примерно 0,25 м при коэффициенте укорочения 1,5;
-
Широкий диапазон выбора длительности зондирующего импульса от 10 нс до 100 мкс для удобства анализа кабельных линий любой протяженности (до 256 км);
-
Чувствительность приёмного тракта до 10 мВ, обеспечивающая диапазон перекрываемого затухания не менее 73 дБ;
-
Крупный 10’’ цветной дисплей разрешением 800х600 пикселей для удобного анализа рефлектограмм на месте, с функциями запоминания, наложения, разности и захвата мерцающих дефектов рефлектограмм;
-
Поддержка режимов измерений импульсно-дуговым методом и методами колебательного разряда по волне напряжения и силы тока (требуется дополнительное оборудование)
ТОО «ЭЛЕКТРОНПРИБОР KZ» является официальным дилером АО «ЭРСТЕД» на территории Республики Казахстан. По вопросам приобретения можете обращаться к нашим менеджерам по контактам на сайте или оставить заявку на странице товара.


